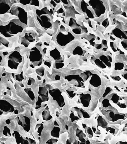
Мембранные дисковые фильтры MF-Millipore, смешанные эфиры целлюлозы, гидрофильные, 0.3 мкм, 293 мм, белые, гладкие, 25 шт/уп
Описание
Биологически инертная смесь ацетата и нитрата целлюлозы сделала мембраны MF-Millipore наиболее широко используемыми во всем мире для различных аналитических и биологических применений.
Характеристики
Области применения
Документация
